電容式電壓互感器接線端子標志與普通的電壓互感器類似,本文的電容式電壓互感器接線端子標志均出自《GB/T 4703-2007電容式電壓互感器》,供大家參考學習。
01具有一個二次繞組的單相互感器

表示具有一個二次繞組的單相互感器,A表示電容式電壓互感器的一次繞組接線端子,N表示電壓互感器的一次繞組接地端子。a表示電容式電壓互感器的二次繞組接線端子,n表示電壓互感器的一次繞組接地端子。
02具有兩個二次繞組的單相互感器

表示具有兩個二次繞組的單相互感器,A表示電容式電壓互感器的一次繞組接線端子,N表示電壓互感器的一次繞組接地端子。1a和2a表示電容式電壓互感器的二次繞組接線端子,1n和2n表示電壓互感器的一次繞組接地端子。
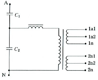
03具有兩個帶抽頭的二次繞組的單相互感器

表示具有兩個帶抽頭的二次繞組的單相互感器,A表示電容式電壓互感器的一次繞組接線端子,N表示電壓互感器的一次繞組接地端子。1a1、1a2和2a、2a2分別表示電容式電壓互感器的二次繞組接線端子,1n和2n表示電壓互感器的一次繞組接地端子。
04具有一個剩余電壓繞組和兩個二次繞組的單相互感器

表示具有一個剩余電壓繞組和兩個二次繞組的單相互感器,A表示電容式電壓互感器的一次繞組接線端子,N表示電壓互感器的一次繞組接地端子。1a1、1a2和2a、2a2分別表示電容式電壓互感器的二次繞組接線端子,1n和2n表示電壓互感器的一次繞組接地端子。da和dn表示剩余電壓接線端子。
上一篇:三相電壓互感器端子標志表示方法
下一篇:各類國家標準及國際標準代號含義